Amiga Realm: Web Directory Index
home knowledge base people & chat shopping entertainment internet services
 main  workbench faqs   online help   amiga next generation   networking faqs   internet faqs 

knowledge base channel: /home/knowledge base/amiga hardware reference manual
� fig. 1-1 block diagram of amiga computer family � fig. 3-12 a dual-playfield display
� fig. 3-6 effect of interlaced mode on edges of objects � fig. 3-8 combining bit-planes
� fig. 3-23 vertical scrolling � fig. 4-2 position of sprites
� fig. 4-5 sprite color definition � fig. 4-7 data structure layout
� fig. 4-9 typical example of sprite reuse � fig. 4-11 overlapping sprites (not attached)
� fig. 5-1 sine waveform � fig. 5-2 digitized amplitude values
� fig. 5-3 example sine wave � fig. 5-4 waveform with multiple cycles
� fig. 6-2 bltxp and bltxmod calculations � fig. 6-3 blitter minterm venn diagram
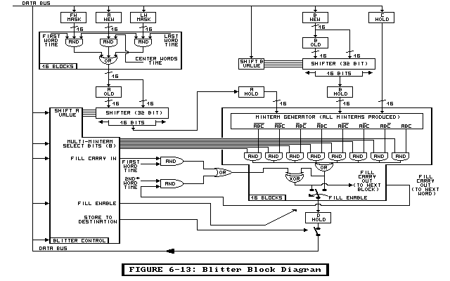
� fig. 6-9 dma time slot a ocation � fig. 6-13 blitter block diagram
� fig. 7-2 analogy for video priority � fig. 7-3 sprite playfield priority

terms of service ]  contact form ]  help & info ]  acknowledgements ] 
 Copyright ©2000-2021 Amiga Realm Smart Directory Service. All Rights Reserved. Serve Cool Design.